VS1(VTD6)-12(24) Indoor High Voltage AC Vacuum Circuit Breaker
General
The circuit breaker adopts the integrated design of operating mechanism and circuit breaker. They form a front and rear sub assembly structure with reliable interlocking function. It can be used as a fixed installation unit or a handcart unit with a chassis.
Standards
GB/T1984 High voltage AC circuit breaker
DL/T403 High voltage AC circuit breaker
IEC60694 Common specifications for high-voltage switchgear and controlgear standards
IEC62271-100 High-voltage switchgear and controlgear-Part 100: Alternating current circuit breakers
Service Conditions
Type and Designation
Technical Date
|
Item |
Unit |
Parameters |
|
|
Rated voltage |
kV |
12 |
24 |
|
Rated frequency |
Hz |
50/60 |
|
|
1min Rated power frequency short-time withstand voltage (phase to phase,to earth/isolation distance) |
kV |
42 |
65 |
|
Rated Lightning impulse withstand voltage(peak) |
kV |
75 |
125 |
|
Rated operation sequence |
|
O-t-CO-t'-CO |
|
|
Item |
Unit |
Parameters |
||||||||||||
|
Rated current |
A |
630 |
1250 |
1250 |
1600 |
2000 |
2500 |
1250 |
1600 |
2000 |
2500 |
3150 |
3150 |
4000 |
|
Rated short-time breaking current |
kA |
20/25 |
31.5 |
40 |
50 |
|||||||||
|
Rated short-circuit making current (peak) |
kA |
50/63 |
80 |
100 |
125 |
|||||||||
|
Rated short -circuit duration |
S |
4 |
4 |
4 |
4 |
|||||||||
|
Mechanical life |
Times |
20000 |
20000 |
20000 |
10000 |
|||||||||
20kA 25kA 31.5kA t=0.3s t’=180s
40kA 50kA t=180s t’=180s
4000A requires forced air cooling
※ If the mechanical life requirement is higher than the standard configuration, consult with the manufacturer.
|
Item |
Unit |
Parameters |
|||||
|
12KV |
24KV |
||||||
|
Distance of contact |
mm |
9 ± 1 |
13 ± 1 |
||||
|
Over-travel |
mm |
3.5±0.5 |
|||||
|
Three-phase C/O asynchrony |
ms |
≤2 |
|||||
|
Closing contact bounce time |
ms |
≤2/≤3(50kA) |
|||||
|
Contact pressure of closing contact |
N |
20kA |
25kA |
31.5kA |
40kA |
50kA |
|
|
2000 ± 200 |
2400 ± 200 |
3100 ± 200 |
4250 ± 200 |
5500 ± 200 |
|||
|
Average opening speed |
m/s |
0.9~1.31 |
1.1~1.6 |
||||
|
Average closing speed |
m/s |
0.4~0.8 |
0.6~1.0 |
||||
Opening time: 15~45ms
|
Name of equipment |
Power (W) |
Rated voltage (V) |
|
Opening coil |
368 |
220/110 |
|
Closing coil |
368 |
|
|
Locking electromagnet |
4.8 |
|
|
Overcurrent controller Y7 (Y8, Y9) |
— |
— |
|
Rated voltage (V) |
Power (W) |
Charging time (s) |
Applicable current class |
|
220/110 |
70 |
≤15 |
20kA、25kA、31.5kA、40kA |
|
220/110 |
90 |
≤15 |
50kA |
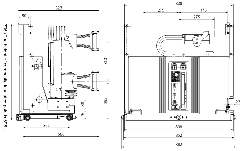
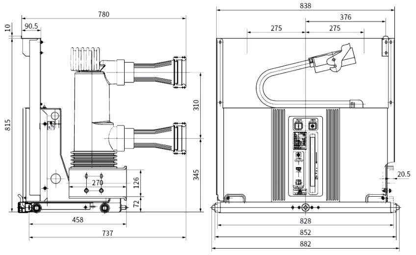
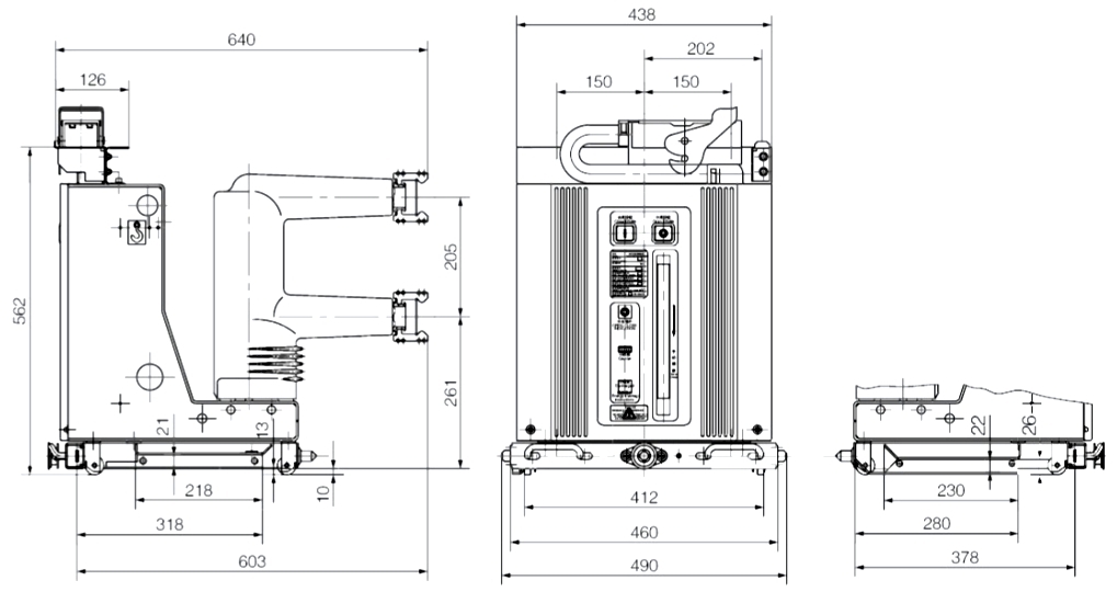
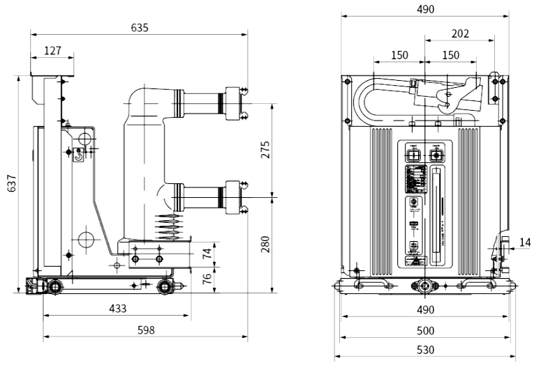
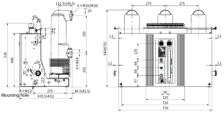
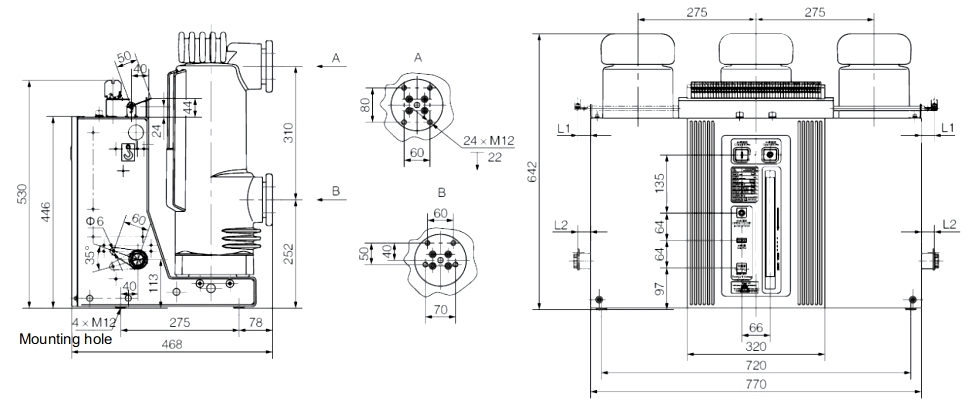
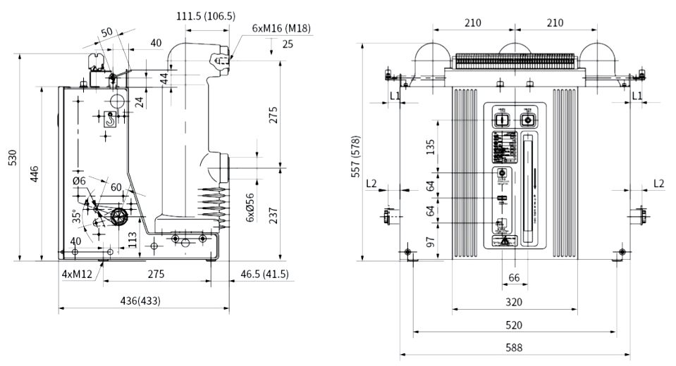
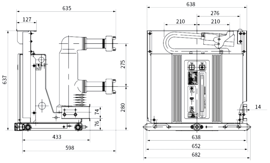
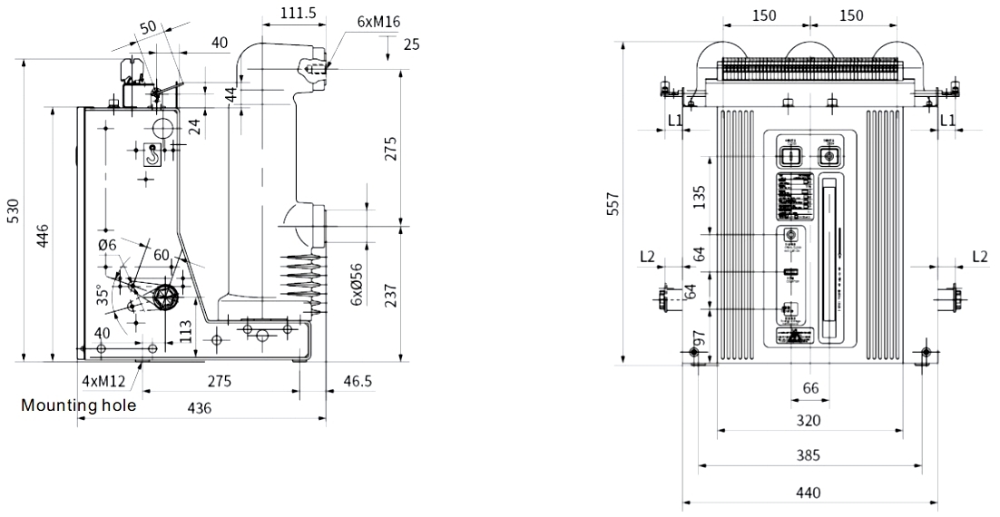
Outline dimension drawing
|
Rated current(A) |
630 |
1250 |
1600 |
|
Rated short circuit breaking current (A) |
20, 25, 31.5 |
25, 31.5 |
31.5, 40 |
|
Distance between phases (mm) |
150 ± 1.5 |
||
|
Top interlock L1 of mechanism |
30, 50 (Interlock extended from left or right, and the length can be made as per the requirements of clients) |
||
|
Spindle interlock L2 (mm) |
30, 50 (Interlock extended from left or right, and the length can be made as per the requirements of clients) |
||
|
Rated current (A) |
630 |
1250 |
1600 |
|
Rated short circuit breaking current (A) |
20, 25, 31.5 |
25, 31.5 |
31.5, 40 |
|
Distance between phases (mm) |
210 ± 1.5 |
||
|
Top interlock L1 of mechanism |
30, 50 (Interlock extended from left or right, and the length can be made as per the requirements of clients) |
||
|
Spindle interlock L2 (mm) |
30, 50 (Interlock extended from left or right, and the length can be made as per the requirements of clients) |
||
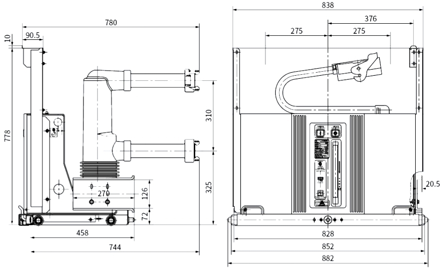
(Distance between phases is 210mm)
|
Rated current (A) |
630 |
1250 |
1600 |
|
Rated short circuit breaking current (A) |
20, 25, 31.5 |
25, 31.5 |
31.5, 40 |
|
Distance between phases (mm) |
210 ± 1.5 |
||
|
Top interlock L1 of mechanism |
30, 50 (Interlock extended from left or right, and the length can be made as per the requirements of clients) |
||
|
Spindle interlock L2 (mm) |
30, 50 (Interlock extended from left or right, and the length can be made as per the requirements of clients) |
||
(Distance between phases is 275mm)
|
Rated current (A) |
630 |
1250 |
|
Rated short circuit breaking current (A) |
20, 25, 31.5 |
25, 31.5 |
|
Dimension of static contact (mm) |
Φ35 |
Φ49 |
|
Distance between phases (mm) |
150 ± 1.5 |
|
|
Rated current (A) |
630 |
1250 |
1600 |
|
Rated short circuit breaking current (A) |
20, 25, 31.5 |
25, 31.5, 40 |
31.5, 40 |
|
Dimension of static contact (mm) |
Φ35 |
Φ49 |
Φ55 |
|
Distance between phases (mm) |
150 ± 1.5 |
||
(For cabinet width 650mm)
|
Rated current (A) |
630 |
1250 |
1600 |
|
Rated short circuit breaking current (A) |
20, 25, 31.5 |
25, 31.5, 40 |
31.5, 40 |
|
Dimension of static contact (mm) |
Φ35 |
Φ49 |
Φ55 |
|
Distance between phases (mm) |
210 ± 1.5 |
||
(For cabinet width 880mm)

|
Rated current (A) |
1600 |
2000 |
2500 |
3150 |
4000 |
|
Rated short circuit breaking current (A) |
31.5, 40 |
31.5, 40 |
40, 50 |
||
|
Dimension of static contact (mm) |
Φ79 |
Φ109 |
|||
|
Distance between phases (mm) |
275 ± 1.5 |
||||
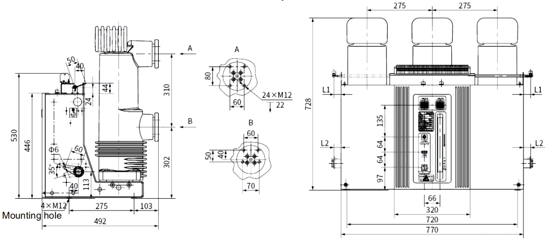
Outline dimension drawing of VS1 (VTD6)-12 withdrawable type circuit breaker
(For cabinet width 1000mm)
1. The outgoing conductive surface of 1600A fixed & sealed pole and transition conductive block of the connecting busbar shall be provided by customer.
2. The dimension in brackets refers to the dimension from the outgoing terminal of the composite insulated pole to the center of the pole.
|
Rated current (A) |
630 |
1250 |
1600 |
|
Rated short circuit breaking current (A) |
20, 25, 31.5 |
25, 31.5, 40 |
|
|
Distance between phases (mm) |
275 ± 1.5 |
||
|
Top interlock L1 of mechanism |
30, 50 (Interlock extended from left or right, and the length can be made as per the requirements of clients) |
||
|
Spindle interlock L2 (mm) |
30, 50 (Interlock extended from left or right, and the length can be made as per the requirements of clients) |
||
|
Rated current (A) |
1600 |
2000 |
2500 |
3150 |
|
Rated short circuit breaking current (A) |
31.5, 40 |
|||
|
Distance between phases (mm) |
275 ± 1.5 |
|||
|
Top interlock L1 of mechanism |
30, 50 (Interlock extended from left or right, and the length can be made as per the requirements of clients) |
|||
|
Spindle interlock L2 (mm) |
30, 50 (Interlock extended from left or right, and the length can be made as per the requirements of clients) |
|||
(Distance between phases is 275mm)
D)Withdrawable type - 12kV (trolley travel distance is 300m)
|
Rated current (A) |
630 |
1250 |
1600 |
|
Rated short circuit breaking current (A) |
20, 25, 31.5 |
25, 31.5, 40 |
31.5, 40 |
|
Dimension of static contact (mm) |
Φ35 |
Φ49 |
Φ55 |
|
Distance between phases (mm) |
275 ± 1.5 |
||
(For cabinet width 1000mm))

|
Rated current (A) |
1600 |
1600 |
2000 |
2500 |
3150 |
|
Rated short circuit breaking current (A) |
31.5, 40 |
31.5, 40 |
31.5, 40 |
||
|
Dimension of static contact (mm) |
Φ55 |
Φ79 |
Φ109 |
||
|
Distance between phases (mm) |
275 ± 1.5 |
||||
(For cabinet width 1000mm)

