VT19-12/24 Indoor HV Vacuum Circuit Breaker
General
The circuit breaker features an integrated design of the operating mechanism and the breaker body, with a front-and-back split structure. It has reliable interlocking functions and can be used as a fixed installation unit or in combination with a trolley to form a withdrawable unit.
Standards
|
IEC62271-100:2008 |
High-voltage switchgear and controlgear |
|
GB/T1984-2014 |
AC High-Voltage Circuit Breakers |
|
JB/T3855-2008 |
3.6~40.5KV Indoor AC High-Voltage Vacuum Circuit Breakers |
|
DLT403-2000 |
Technical Specifications for Ordering 10-40.5KV High-Voltage Vacuum Circuit Breakers |
Type designation
Service Conditions
Technical Parameters
|
Item |
Unit |
Parameters |
|
|
Rated voltage |
kV |
12 |
24 |
|
Rated frequency |
Hz |
50/60 |
|
|
1min Rated power frequency short-time withstand voltage (phase to phase,to earth/isolation distance) |
kV |
75 |
125 |
|
Rated Lightning impulse withstand voltage(peak) |
kV |
42 |
65 |
|
Rated operation sequence |
|
O-0.3s-CO-180s-CO |
|
|
Type |
Rated current (A) |
Rated short circuit breaking current (kA) |
Rated short circuit making current (peak kA) |
Rated duration of short circuit (s) |
Rated breaking times of short circuit (times) |
Mechanical life (times) |
|
VT19-12 VT19-24 |
630 |
20/25 |
50/63 |
4 |
50 |
30000 |
|
1250 |
||||||
|
1250 |
31.5 |
80 |
4 |
50 |
30000 |
|
|
1600 |
||||||
|
2000 |
||||||
|
2500 |
||||||
|
1250 |
40 |
100 |
4 |
30 |
30000 |
|
|
1600 |
||||||
|
2000 |
||||||
|
2500 |
||||||
|
3150 |
||||||
|
VT19-12 |
3150 |
50 |
125 |
4 |
20 |
20000 |
|
4000 |
|
S/N |
Parameter name |
Unit |
Data |
|
|
12kV |
24kV |
|||
|
1 |
Clearance between open contacts |
mm |
9 ± 1 (11 ± 1 According to interrupter parameters) |
13 ± 1 |
|
2 |
Over-travel |
3.5 ± 0.5 |
||
|
3 |
Three phase opening and closing asynchronous |
ms |
≤ 2 |
|
|
4 |
Bounce time of closing contact |
ms |
≤ 2/≤ 3(50kA) |
|
|
5 |
Contact pressure of closing contact |
N |
20kA, 25kA, 31.5kA, 40kA, 50kA |
|
|
2000±200,2400±200,3100±200,4250±200,5500±200 |
||||
|
6 |
Average opening speed |
ms |
0.9~1.3 |
1.1~1.6 |
|
7 |
Average closing speed |
0.4~0.8 |
0.6~1.0 |
|
|
8 |
Each phase circuit resistance (Except contact arm) |
μΩ |
/ |
/ |
|
Type |
Closing time(ms) |
Opening time(ms) |
|
12&24kV |
30-70 |
15-45 |
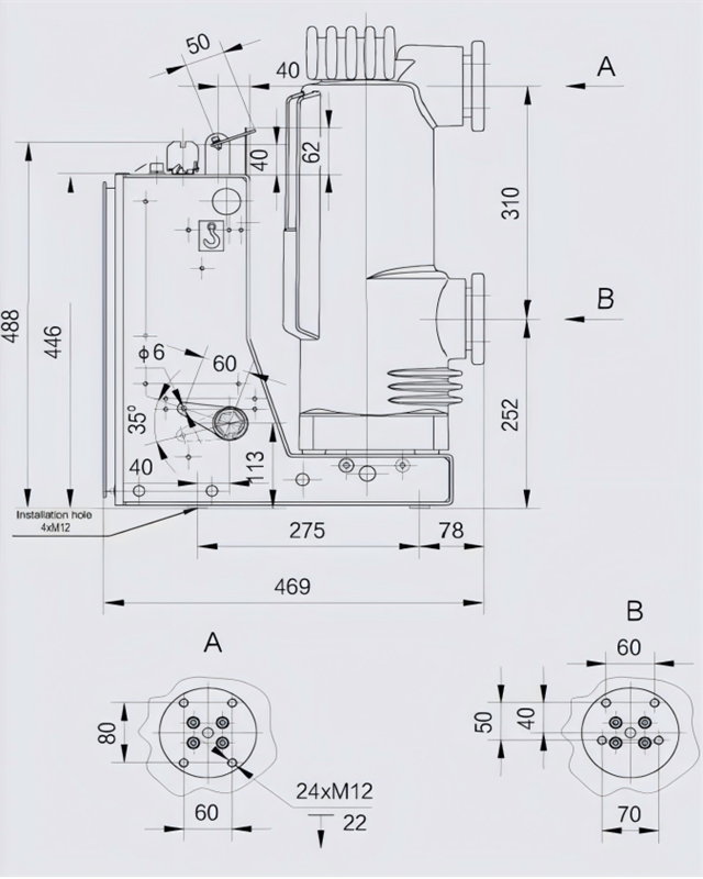
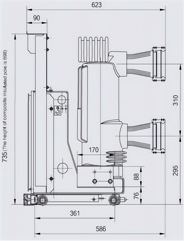
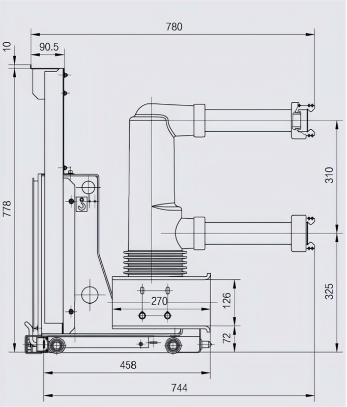
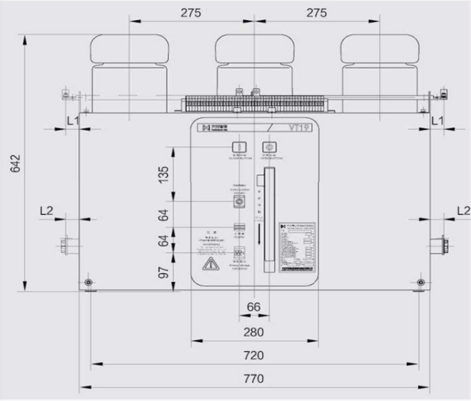
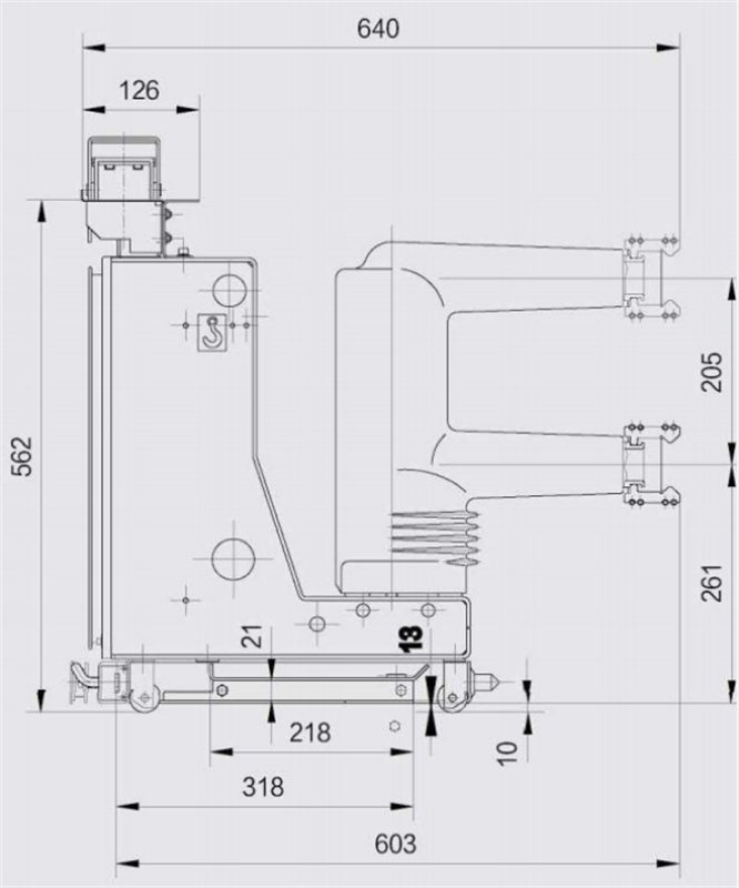
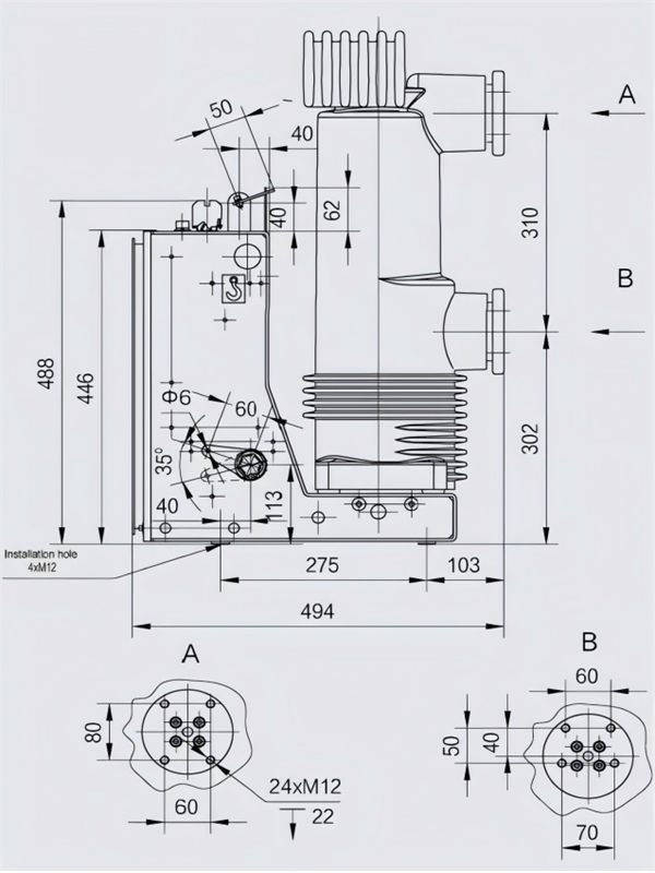
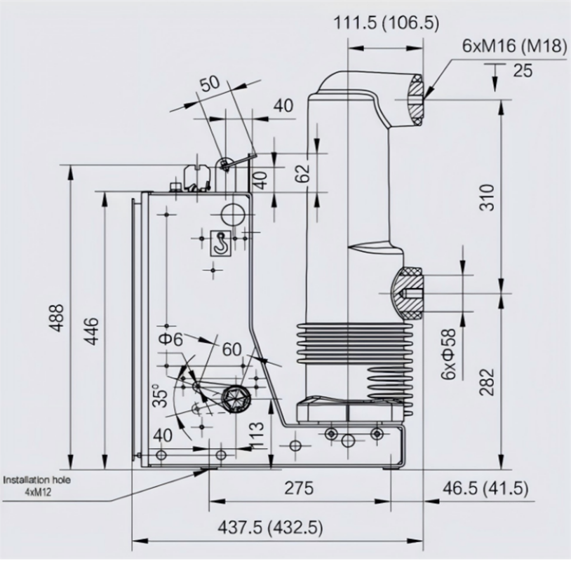
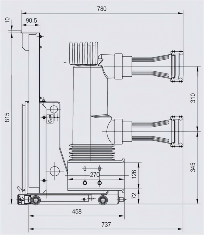
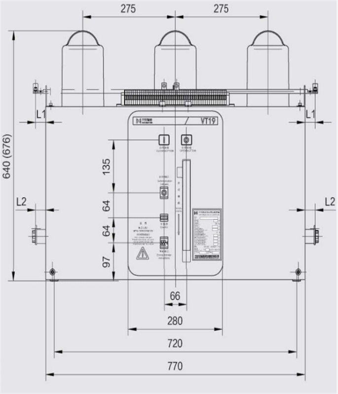
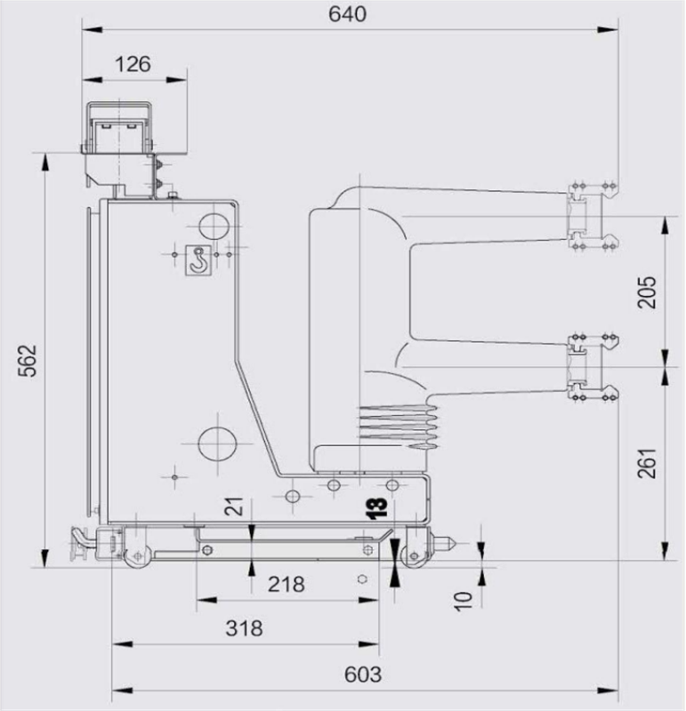
Outline dimension drawing

Note: The dimension indicated in the parentheses is the fitting dimension of the composite insulated pole.
|
Rated current(A) |
630 |
1250 |
1600 |
|
Rated short circuit breaking current (A) |
20, 25, 31.5 |
25, 31.5 |
31.5, 40 |
|
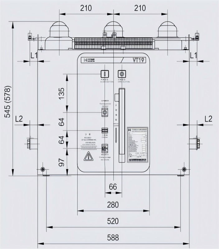
Distance between phases (mm) |
150 ± 1.5 |
||
|
Top interlock L1 of mechanism |
30, 50 (Interlock extended from left or right, and the length can be made as per the requirements of clients) |
||
|
Spindle interlock L2 (mm) |
30, 50 (Interlock extended from left or right, and the length can be made as per the requirements of clients) |
||
|
Rated current (A) |
630 |
1250 |
1600 |
|
Rated short circuit breaking current (A) |
20, 25, 31.5 |
25, 31.5 |
31.5, 40 |
|
Distance between phases (mm) |
210 ± 1.5 |
||
|
Top interlock L1 of mechanism |
30, 50 (Interlock extended from left or right, and the length can be made as per the requirements of clients) |
||
|
Spindle interlock L2 (mm) |
30, 50 (Interlock extended from left or right, and the length can be made as per the requirements of clients) |
||
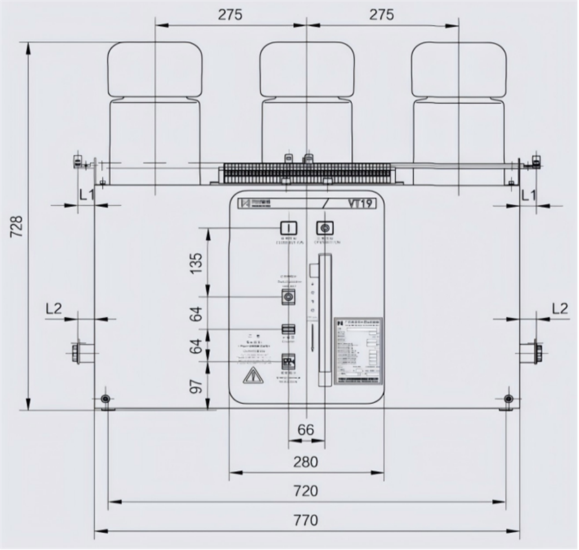
(Distance between phases is 210mm)
| Rated current(A) | 1600 | 2000 | 2500 | 3150 | 4000 |
| Rated short-circuit breaking current(kA) | 31.5,40 | 40,50 | |||
| Distance between phases(mm) | 275±1.5 | ||||
| Mechanism top interlock L1(mm) | 30,50(Interlock can be extended from left side or right side, length can be customized according to customer requirements) |
||||
| Mechanism main shaft interlock L2(mm) | 30,50(Main shaft has left output or right output ,length can be customized according to customer requirements) |
||||
Figure 3 Fixed Type VT19-12 (Phase spacing of 275mm)
Circuit Breaker Outline Dimension Diagram
|
Rated current (A) |
630 |
1250 |
|
Rated short circuit breaking current (A) |
20, 25, 31.5 |
25, 31.5 |
|
Dimension of static contact (mm) |
Φ35 |
Φ49 |
|
Distance between phases (mm) |
150 ± 1.5 |
|
Figure 4 Handcart Type VT19-12 Circuit Breaker Outline Dimension Diagram
(configured in medium-mounted cabinet with a width of 550mm)
|
Rated current (A) |
630 |
1250 |
1600 |
|
Rated short circuit breaking current (A) |
20, 25, 31.5 |
25, 31.5, 40 |
31.5, 40 |
|
Dimension of static contact (mm) |
Φ35 |
Φ49 |
Φ55 |
|
Distance between phases (mm) |
150 ± 1.5 |
||
(For cabinet width 650mm)
|
Rated current (A) |
630 |
1250 |
1600 |
|
Rated short circuit breaking current (A) |
20, 25, 31.5 |
25, 31.5, 40 |
31.5, 40 |
|
Dimension of static contact (mm) |
Φ35 |
Φ49 |
Φ55 |
|
Distance between phases (mm) |
210 ± 1.5 |
||
(For cabinet width 880mm)
|
Rated current (A) |
1600 |
2000 |
2500 |
3150 |
4000 |
|
Rated short circuit breaking current (A) |
31.5, 40 |
31.5, 40 |
40, 50 |
||
|
Dimension of static contact (mm) |
Φ79 |
Φ109 |
|||
|
Distance between phases (mm) |
275 ± 1.5 |
||||
Outline dimension drawing of VS1 (VTD6)-12 withdrawable type circuit breaker
(For cabinet width 1000mm)
1. The outgoing conductive surface of 1600A fixed & sealed pole and transition conductive block of the connecting busbar shall be provided by customer.
2. The dimension in brackets refers to the dimension from the outgoing terminal of the composite insulated pole to the center of the pole.
|
Rated current (A) |
630 |
1250 |
1600 |
|
Rated short circuit breaking current (A) |
20, 25, 31.5 |
25, 31.5, 40 |
|
|
Distance between phases (mm) |
275 ± 1.5 |
||
|
Top interlock L1 of mechanism |
30, 50 (Interlock extended from left or right, and the length can be made as per the requirements of clients) |
||
|
Spindle interlock L2 (mm) |
30, 50 (Interlock extended from left or right, and the length can be made as per the requirements of clients) |
||
|
Rated current (A) |
1600 |
2000 |
2500 |
3150 |
|
Rated short circuit breaking current (A) |
31.5, 40 |
|||
|
Distance between phases (mm) |
275 ± 1.5 |
|||
|
Top interlock L1 of mechanism |
30, 50 (Interlock extended from left or right, and the length can be made as per the requirements of clients) |
|||
|
Spindle interlock L2 (mm) |
30, 50 (Interlock extended from left or right, and the length can be made as per the requirements of clients) |
|||
(Distance between phases is 275mm)
D)Withdrawable type - 12kV (trolley travel distance is 300m)
|
Rated current (A) |
630 |
1250 |
1600 |
|
Rated short circuit breaking current (A) |
20, 25, 31.5 |
25, 31.5, 40 |
31.5, 40 |
|
Dimension of static contact (mm) |
Φ35 |
Φ49 |
Φ55 |
|
Distance between phases (mm) |
275 ± 1.5 |
||
(For cabinet width 1000mm))
|
Rated current (A) |
1600 |
1600 |
2000 |
2500 |
3150 |
|
Rated short circuit breaking current (A) |
31.5, 40 |
31.5, 40 |
31.5, 40 |
||
|
Dimension of static contact (mm) |
Φ55 |
Φ79 |
Φ109 |
||
|
Distance between phases (mm) |
275 ± 1.5 |
||||
(For cabinet width 1000mm)



