01
XGTD8-12 Indoor N₂ Gas Insulation Metal-clad Switchgear
Detail introduction
The switchgear and its primary live parts are enclosed within a stainless steel shell, effectively shielding them from external influences. It employs a modular design, allowing for flexible combinations of common-tank and extended-unit configurations to meet various schemes and arrangements. This design ensures that the switchgear can satisfy the demands of compact installations in secondary transmission and distribution substations.
Moreover, the switchgear is widely applicable in a range of environments, including secondary small distribution substations, industrial and mining enterprises, airports, railways, commercial districts, high-rise buildings, highways, subways, tunnels, and other locations with severe conditions.
The product's quality assurance is grounded in a robust quality system that governs research, development, design, and production. Continuous improvement is a key focus, ensuring that the switchgear fully complies with the latest versions or revisions of relevant standards—though not limited to them.
| IEC62271-200 | AC metal-enclosed switchgear and controlgear for rated voltages above 1 kV and up to and including 52 kV. |
| EN50181 | Insertion bushings for equipment rated at voltages from 1 kV to 52 kV and currents from 250 A to 2500 A. |
| GB/T3906 | AC metal-enclosed switchgear and controlgear for rated voltages above 3.6 kV and up to and including 40.5 kV |
| GB/T11022 | Common specifications for high-voltage switchgear and controlgear standards |
| DL/T404 | AC metal-enclosed switchgear and controlgear for rated voltages above 3.6 kV and up to and including 40.5 kV |
| GB/T1984 | High voltage AC circuit breaker |
| GB/T1985 | High-voltage alternating-current isolators and earthing switches. |
| GB/T20840 | Instrument transformers - Part 1: General requirements. |
| GB/T11032 | AC Metal oxide surge arresters without gaps |
Service Conditions
a. Ambient temperature: -45℃~+50℃ the daily average value shall not exceed 35℃;
b. Altitude: Not more than 4000m(If the equipment working over 1000m,please note it for the convenience of adjustment to the inflation pressure);
c. Relative humidity: Daily average is not more than 95%,Monthly average is not more than 90%;
d. Seismic grade: The seismic intensity shall not exceed grade 8;
e. There shall be no Corrosive, flammable gases or other pollution.
※Note: if the service environment exceeds the above conditions,please consult with our company.
Technical parameter
|
ltem |
Unit |
Parameters |
||
|
V: CB unit |
C: load switch unit |
|||
| Rated voltage |
kV |
12 |
||
| Rated current |
A |
630/1250 |
630 |
|
| Rated frequency |
Hz |
50/60 |
||
| 1 min rated power frequency withstand voltage (rms) | Phase to Phase/Phase to earth |
kV |
42 |
|
| Insulation Distance |
48 |
|||
| Rated Lightning impulse withstand voltage(peak) | Phase to Phase/Phase to earth |
kV |
75 |
|
| Insulation Distance |
85 |
|||
| Rated power frequency withstand voltage of auxiliary circuit |
kV |
2 |
||
| Rated short circuit breaking current(rms) |
kA |
20/25 |
||
| Rated short circuit making current (peak) |
kA |
50/63 |
||
| Rated short time withstand current (4s) |
kA |
20/25 |
||
| Rated peak withstand current |
kA |
50/63 |
||
| Main circuit resistance of each phase |
μΩ |
≤160 |
||
| N₂gas rated operation pressure |
MPa |
0.02 |
||
| Mechanical life | CB/Load switch |
times |
10000 |
|
| Three-position switch |
5000 |
|||
| Rated values of internal arc level (IAC) |
KA/S |
25/1 |
||
| Annual leak rate of N₂ gas |
% |
≤0.1 |
||
| Protection degrees |
/ |
IP67 for gas-filled compartment, IP4X for others |
||
Product Features and Structure
● Product features
● Green and environment-friendly
Rather than SF6, all the nitrogen or dry air insulation, vacuum extinction, no greenhouse gas emissions. Harmful chemical elements in raw materials are strictly controlled in the parts manufacturing process, which can reduce the production of harmful substances. And the recycle rate of materials can reach 90% after the retirement.
● Safe and reliable
It adopts micro-positive pressure gas insulation to reduce the leak rate of gas. Although, leaking happen to the gas compartment, it can still keep enough insulation ability at the lowest functional pressure, and does not affect the normal operating.
● Reasonable design
● Modular design
The switchgear includes load switch unit, the circuit breaker unit(V), meter switchgear unit(M), bus PT units,etc.it can achieve many forms of combination through general full insulation and full shielding bus connection, which can meet the demand for different places, different forms, different needs of customers, and provide a variety of designs for power supply and distribution.
● Fully insulated and sealed design
The primary live part(main bus)of the switchgear and switch itself are sealed in the gas tank of welded stainless steel plate. The main circuit is connected to external through DIN47636 standard bushing that installed on the gas tank. It can also be connected to input and output cable by full insulation, shielding all full sealed separable connector. And protection grade of the gas tank box reach IP67. The inside of the gas tank is not affected by the external environment. It also has the short-term resistance function of flood and condensation.
● The other
User interface and cable connection are located in the front of the body,which is convenient for user operation. Operation switchgear instructions are clear, simple and easy to understand. The status of the three-station switch can be observed through the switchgear observation window.
● Small volume
Adopting the insulation of environment-friendly gas, retained the size advantage of gas insulation switchgear, size is small, which can saving the floor area.
● Less maintenance
High voltage insulation is not influenced by the external environment,and hardly aging. There is no need for users to protect or detect weather the SF6 gas leaks. Also, it can reduce the total life cycle cost of the product.
● Strong adaptability to environment
All the HV components are sealed in the gas-filled metal enclosure, and the switchgear is especially suitable for high altitude, cold, damp, salt mist, pollution and other harsh environment.
● Product structure
● Outline structure

Secondary meter room: For installing secondary components such as Ammeter, Voltmeter, protection device, gathering the secondary terminal of switchgear, which is convenient for maintenance and operation.
Live display: To provide the live display data for input and output of cables.
Gas-pressure meter: To show the safe pressure range in gas tank, and alarm contact function can be selected to achieve the operation of interlock opening and closing at low gas pressure.
Operation switchgear: To provide switch operating indications of opening and closing, on which the corresponding switch operating instructions were printed.
Gas tank compartment: It is fully sealed designed, which welded with the high quality stainless steel welding, and reach IP67 degree of protection.
Pressure relief compartment: For installation cable and current transformer.At the same time,it's the guide channel for arching pressure relief, which may lead the arc to the cable trench.
Cable room front door: It's the entrance of cable compartment,and it shall betaken apart first.
Note:the connection of the figure between compartments is the outer cone top connection.
Note:the connection of the figure between compartments is the outer cone top connection.
● Outline structure

|
Type |
Width(W) |
Height(H) |
Depth(D) |
|
|
C |
Top connection |
420mm |
1950mm |
850mm |
|
Side connection |
420mm |
2000mm |
||
|
V |
Top connection |
420mm |
1950mm |
|
|
Side connection |
420mm |
2000mm |
||
|
PT |
Top connection |
600mm |
1950mm |
|
|
Side connection |
600mm |
2000mm |
||
|
D |
Top connection |
420mm |
1950mm |
|
|
Side connection |
420mm |
2000mm |
||
Note: the connection of the figure between compartments is the inner cone side connection, which also can be outer cone top connection as user demanded.
Operation
● Operation procedures
● Preparation before operation
It shall be operated with specific handle,and confirm that the installation of cable compartment front door and the correct connection of HV cable and secondary circuit.
● Power on operation procedure
Ensure that circuit breaker/load switch in open position (which rotate the opening switch to open the circuit breaker/load switch), open the three position switch from earthing closing position to opening position, then operate it from isolation position to closing position. Operating isolation switch lively is forbidden. After confirming the isolation switch is closed,charging the circuit breaker/load switch mechanism with operating handle. Then rotate the closing knob, closing the circuit breaker/load switch.
Note: There is mechanical interlock between circuit breaker/load switch mechanism and isolation mechanism to prevent mistake operation. If some operating difficulties happen, please check the condition of circuit breaker/load switch, and then do the closing or openng operation rather than operate forcibly.
● Power off operation procedure
Rotate the closing knob,open the circuit breaker/load switch.Then operate the three position switch from isolation closing position to opening position with handle.
● Inspection operation procedure
After confirming the cable compartment is not live,operate the three position switch from earthing opening position to closing position. Then open the front door for inspection.

● Interlock logic
a. Only when earthing switch at closing position,circuit breaker/load switch at opening position, can the cable compartment front door be opened.
b. The earthing switch cannot be operated when the front door is open.
c. The isolation switch and earthing switch cannot be operated when circuit breaker/load switch at closing position.
d. When operate isolation switch and earthing switch, circuit breaker/load switch at closing position can not be operated.
e. Only when circuit breaker/load switch at closing position can the cable compartment front door closed.
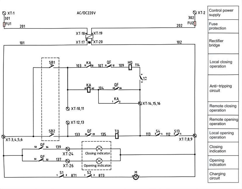
Principle of Secondary Circuit
● Secondary circuit principle of the cabinet

● Secondary circuit principle of the circuit breaker

Scheme Option Table
Single cabinet type


Common box type






